


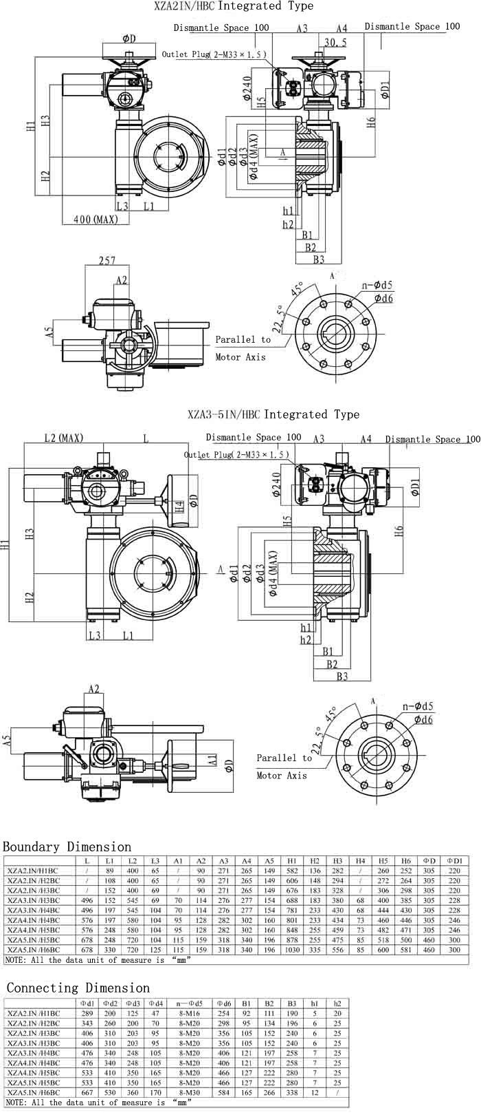
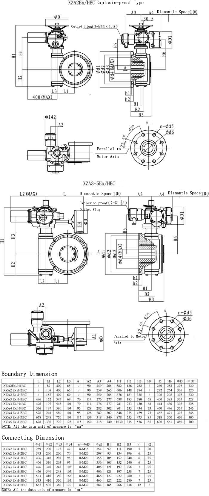
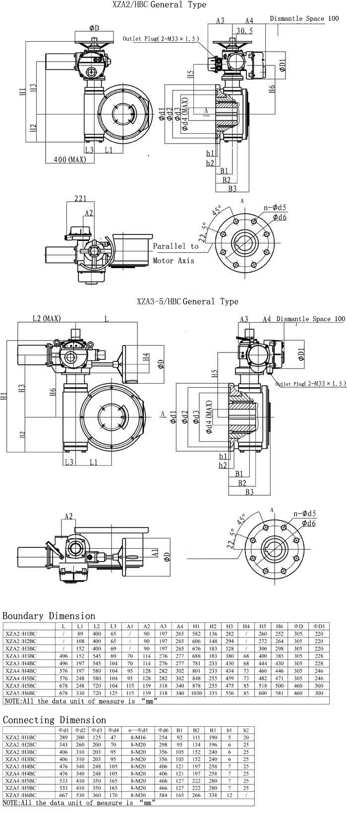
XZA/HBC series ,the combination of XZA series multi-turn electric actuators and HBC worm speed reducer , was used to control ball valve ,butterfly valve and other part-turn valve actuators.This series actuators have features as firm constructure, multiple standard,large torque rang,stable output and self-locking ability.In order to gear into valve rod,HBC has a involute serration joint.It is easy to test and adjust.